Product Summary
The LME1205DC is a isolated 250mW Single output DC/DC converter characterized by RoHS compliant, single output rail, 1kVDC isolation, high efficiency for low power applications, SIP & DIP package styles, Power density 0.36W/cm3 and UL 94V-0 package material. With pin compatible with NKE, NME & NML series, its output is 5V, 9V, 12V & 15V and input is 5V & 12V.
Parametrics
Absolute maximum ratings and characteristics: (1)Short-circuit protection3: 1 second; (2)Lead temperature 1.5mm from case for 10 seconds: 300°C; (3)Input voltage VIN, LME05 types: 7V; (4)Input voltage VIN, LME12 types: 15V; (5)Rated Power2 at TA=0°C to 70°C: 0.25 W max; (6)Line regulation at High VIN to low VIN: 1.0 typ, 1.2 %/% max; (7)Isolation test voltage at Flash tested for 1 second: 1000 VDC min; (8)Resistance at Viso= 500VDC: 1 GΩ min.
Features
Features: (1)RoHS compliant; (2)Single output rail; (3)1kVDC isolation; (4)High efficiency for low power applications; (5)SIP & DIP package styles; (6)Power density 0.36W/cm3; (7)UL 94V-0 package material; (8)Footprint from 0.69cm2; (9)5V & 12V input; (10)5V, 9V, 12V & 15V output; (11)No heatsink required; (12)Internal SMD construction; (13)Fully encapsulated with toroidal magnetics; (14)No external components required; (15)MTTF up to 2.2 million hours; (16)Custom solutions available; (17)Pin compatible with NKE, NME & NML series; (18)PCB mounting.
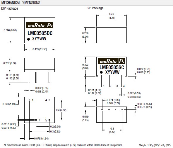
Diagrams

| Image | Part No | Mfg | Description | ![]() |
Pricing (USD) |
Quantity | ||||||||||||
|---|---|---|---|---|---|---|---|---|---|---|---|---|---|---|---|---|---|---|
![]() |
![]() LME1205DC |
![]() Murata Power Solutions |
![]() DC/DC Converters 250mW DIP 12V/5V Single Output |
![]() Data Sheet |
![]()
|
|
||||||||||||
| Image | Part No | Mfg | Description | ![]() |
Pricing (USD) |
Quantity | ||||||||||||
![]() |
![]() LME1205D |
![]() Murata Power Solutions |
![]() DC/DC Converters 250mW DIP 12V/5V |
![]() Data Sheet |
![]() Negotiable |
|
||||||||||||
![]() |
![]() LME1205DC |
![]() Murata Power Solutions |
![]() DC/DC Converters 250mW DIP 12V/5V Single Output |
![]() Data Sheet |
![]()
|
|
||||||||||||
![]() |
![]() LME1205S |
![]() Murata Power Solutions |
![]() DC/DC Converters 250mW SIP 12V/5V |
![]() Data Sheet |
![]() Negotiable |
|
||||||||||||
![]() |
![]() LME1205SC |
![]() Murata Power Solutions |
![]() DC/DC Converters 250mW SIP 12V/5V Single Output |
![]() Data Sheet |
![]()
|
|
||||||||||||
![]() |
![]() LME1209D |
![]() Murata Power Solutions |
![]() DC/DC Converters 250mW DIP 12V/9V |
![]() Data Sheet |
![]() Negotiable |
|
||||||||||||
![]() |
![]() LME1209DC |
![]() Murata Power Solutions |
![]() DC/DC Converters 250mW 12V to 9V |
![]() Data Sheet |
![]()
|
|
||||||||||||
(China (Mainland))





