Product Summary
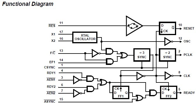
The Intersil MD82C84A/B is a high performance CMOS Clock Generator-driver which is designed to service the requirements of both CMOS and NMOS microprocessors such as the 80C86, 80C88, 8086 and the 8088. The chip contains a crystal controlled oscillator, a divide-by-three counter and complete “Ready” synchronization and reset logic. Static CMOS circuit design permits operation with an external frequency source from DC to 25MHz. Crystal controlled operation to 25MHz is guaranteed with the use of a parallel, fundamental mode crystal and two small load capacitors. All inputs (except X1 and RES) are TTL compatible over temperature and voltage ranges. Power consumption is a fraction of that of the equivalent bipolar circuits. This speed-power characteristic of CMOS permits the designer to custom tailor his system design with respect to power and/or speed requirements.
Parametrics
Absolute maximum ratings:(1)Supply Voltage: +8.0V; (2)Input, Output or I/O Voltage: GND -0.5V to VCC +0.5V; (3)ESD Classification: Class 1; (4)Operating Voltage Range: +4.5V to +5.5V; (5)Operating Temperature Range: -55oC to +125oC; (6)Thermal Resistance: θJA (oC/W) θJC (oC/W); (7)CERDIP Package: 80 20; (8)CLCC Package: 95 28; (9)PDIP Package: 85 N/A; (10)PLCC Package: 85 N/A; (11)Storage Temperature Range: -65oC to +150oC; (12)Max Junction Temperature: +175oC; (13)Lead Temperature (Soldering 10s): +300oC.
Features
Features: (1)Generates the System Clock For CMOS or NMOS Microprocessors; (2)Up to 25MHz Operation; (3)Uses a Parallel Mode Crystal Circuit or External Frequency Source; (4)Provides Ready Synchronization; (5)Generates System Reset Output From Schmitt Trigger Input; (6)TTL Compatible Inputs/ Outputs; (7)Very Low Power Consumption; (8)Single 5V Power Supply; (9)Operating Temperature Ranges: -55°C to +125°C.
Diagrams

(China (Mainland))




